首页
产品中心
硅基芯片及模组系列
第三代半导体芯片及模组系列
IGBT单管
IGBT模块
PIM
IPM
SJ MOSFET
VD MOSFET
Trench MOSFET
SGT MOSFET
SiC MOSFET 单管
SiC MOSFET 模块
SiC JBS
GaN
行业应用
汽车类
清洁能源类
工控类
白电类
质量管理
新闻中心
公司新闻
关于我们
公司简介
发展历程
加入我们
联系我们
中文
EN
首页
产品中心
硅基芯片及模组系列
IGBT单管
IGBT模块
PIM
IPM
SJ MOSFET
VD MOSFET
Trench MOSFET
SGT MOSFET
第三代半导体芯片及模组系列
SiC MOSFET 单管
SiC MOSFET 模块
SiC JBS
GaN
行业应用
汽车类
清洁能源类
工控类
白电类
质量管理
新闻中心
公司新闻
关于我们
公司简介
发展历程
加入我们
联系我们
中文
EN
咨询热线
0755-21054557 / 025-87153770
商务合作
sales@pg-tech.cn
Industry application
行业应用
首页
>
行业应用
>
汽车类
应用概述
应用系统图
应用拓扑图
推荐产品
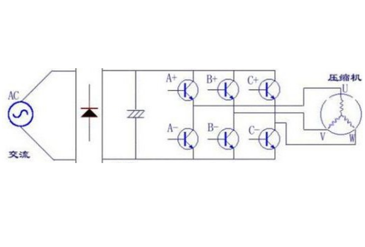
空调压缩机
应用概述
纯电汽车没有传统燃油车的发动机系统,空调系统(冬制暖/夏制冷)需要功率器件的参与。
空调压缩机
应用系统图
空调压缩机
应用拓扑图
空调压缩机
推荐产品
IGBT单管产品清单
Part Number
VCE(V)
Ic(A)@100℃
Vcesat(V) @25℃
typ
Eon(mJ)
Eoff(mJ)
Package
Datasheet
MPBW50N65E
650
50
1.6
1.22
1.2
TO-247
Download
MPBW40N120BF
1200
40
1.85
1.6
3.0
TO-247
Download