Industry application
Wind turbine
Application Overview
Wind turbine Application Overview

Wind power generation is the process of converting wind energy into mechanical energy, and then converting mechanical energy into electrical energy. This process does not require fuel or emit radiation, nor does it generate air pollution, which makes it a clean energy resource.


Marching Power can provide a complete system solution from wind power converters to wind power converters. The 1700V 50A~900A series modules provide the best solution for products in different power bands.

 


Wind turbine
Application System Diagram
Wind turbine Application System Diagram
Wind turbine
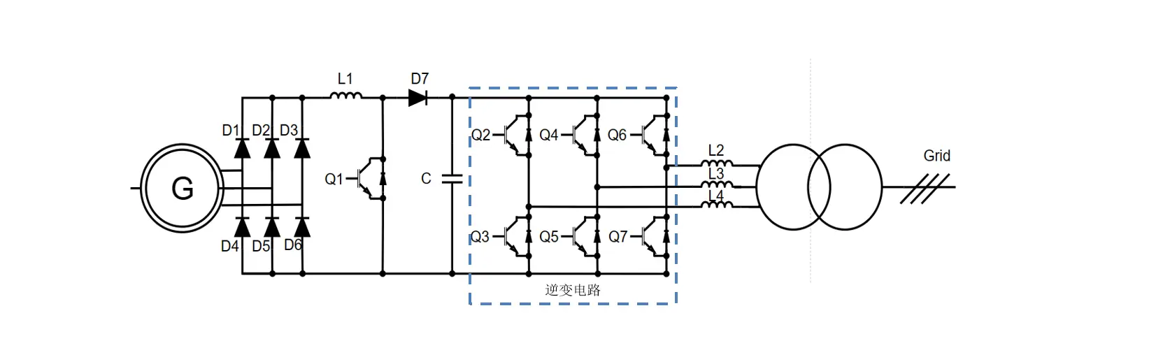
Application Topology Diagram
Wind turbine Application Topology Diagram
Wind turbine
Recommended Products

IGBT Modules Product List

Part Number VCE(V) Ic(A)@100℃ Vcesat(V) @25℃
typ
Eon(mJ) Eoff(mJ) Package Datasheet
MPFF450R17MBF 1700 450 2.29 153.1 131.5 EconoDUAL 3 Download
MPFF300R17KBF 1700 300 1.95 70.5 62.4 62mm module Download
MPFF600R12MBF M5 1200 600 1.65 118.4 79.2 EconoDUAL 3 Download