SVG
Application Overview
Application Overview
Energy storage can ensure the stable operation of the power grid, and balance power supply and demand. In the application of the large-scale new energy power generation process, the energy storage system can enable the smooth output of unstable electricity such as photovoltaic and wind power.
Marching Power has become the superior power semiconductor supplier for energy storage solutions (ESS) in terms of efficiency, innovation, performance, and cost. Marching Power can provide SJ MOSFET, SiC products, VD MOSFET, IGBT discrete and IGBT module, as well as highly integrated Easy 3B, Flow 2 and other products to match various energy storage system solutions.
SVG
Application System Diagram
Application System Diagram
SVG
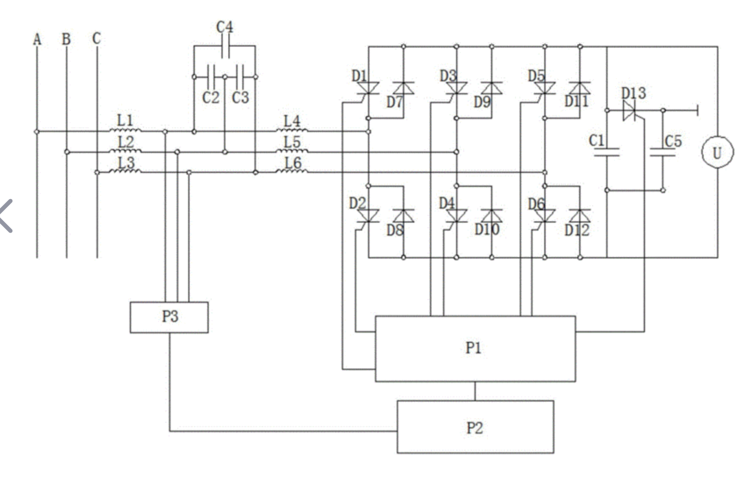
Application Topology Diagram
Application Topology Diagram
SVG
Recommended Products
Recommended Products
IGBT Modules Product List
| Part Number | VCE(V) | Ic(A)@100℃ | Vcesat(V) @25℃ typ |
Eon(mJ) | Eoff(mJ) | Package | Datasheet |
|---|---|---|---|---|---|---|---|
| MPFF900R17MNF | 1700 | 900 | 2.6 | 931 | 523 | EconoDUAL 3 | Download |
| MPFF600R17MBF | 1700 | 600 | 2.3 | 291 | 169 | EconoDUAL 3 | Download |
| MPFF300R17MBF | 1700 | 300 | 2.17 | 145.4 | 124.9 | EconoDUAL 3 | Download |
| MPFF75R17RBF | 1700 | 75 | 2 | 21.1 | 20.5 | 34mm module | Download |
| MPFS50R17CNF | 1700 | 50 | 1.55 | 15.9 | 12.8 | EconoPACK2 | Download |
Silicon-based chip and module series
Third generation semiconductor chip and module series